Electro help
Electronic Equipment Repair Assistance
Tuesday, September 10, 2013
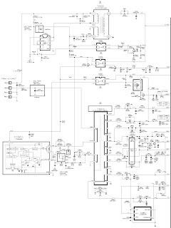
RPTV - LG RE39NZ43 – LG RL39NZ43 – Convergence – R G B Output - Power - Schematic Diagram [Circuit Diagram] - (STK 392-120 – TDA6111Q)
CONVERGENCE OUT SCHEMATIC
R-OUT SCHEMATIC
CLICK ON THE SCHEMATICS TO ZOOM
.
Click
ß
at the top right of the browser, to come back.
B-OUT SCHEMATIC
G-OUT SCHEMATIC
Newer Post
Older Post
Home
View mobile version