Tuesday, April 12, 2016

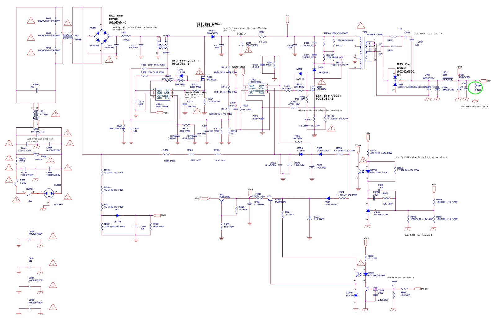
HP LP2275w – AOC LP2275w – 22inch LCD Color Monitor – Power Board – Circuit Diagram – 715G2966A

SMPS board schematic – AOC and HP LP2275w – 22 inch LCD Monitor – 715G2966A
Horizontal Frequency - 30- 93 kHz
SMPS and BACK LIGHT INVERTER SCHEMATIC
Software Flow
1) MCU initialize.
2) Is the EEprom blank?
3) Program the EEprom by default values.
4) Get the PWM value of brightness from EEprom.
5) Is the power key pressed?
6) Clear all global flags.
7) Are the AUTO and SELECT keys pressed?
8) Enter factory mode.
9) Save the power key status into EEprom.
Turn on the LED and set it to green color.
Scalar initialize.
10) In standby mode?
11) Update the lifetime of back light.
12) Check the analog port, are they’re any signals coming?
13) Does the scalar send out an interrupt request?
14) Wake up the scalar.
15) Are there any signals coming from analog port?
16) Display "No connection Check Signal Cable" message. And go into standby mode after the message
disappear.
17) Program the scalar to be able to show the coming mode.
18) Process the OSD display.
19) Read the keyboard. Is the power key pressed?