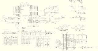
Mc44603 and STP3N60(FET) controlled SMPS power supply function descriptions, IC pin connections, circuit diagram [schematic] – working principles details – The power supply (SMPS) used with Loewe DVD player is selected for reference.
Current mode power
supply
Function description of the current mode power supply
MOSFET 7125 is used as a power switch controlled by the controller IC 7110. When the switch is closed, energy is transferred from the mains into the transformer. This energy is then supplied to the load when the switch is opened. By control of the switched-on time, the energy transferred in each cycle is regulated so that the output voltages are independent of load or input voltage variations. The controlling device MC44603P is an integrated pulse width modulator. A clock signal initiates power pulses at a fixed frequency. The termination of each output pulse occurs when an analogue of the conductor current reaches a threshold established by the error signal. In this way the error signal actually controls the peak conductor current on cycle-by-cycle basis.
MOSFET 7125 is used as a power switch controlled by the controller IC 7110. When the switch is closed, energy is transferred from the mains into the transformer. This energy is then supplied to the load when the switch is opened. By control of the switched-on time, the energy transferred in each cycle is regulated so that the output voltages are independent of load or input voltage variations. The controlling device MC44603P is an integrated pulse width modulator. A clock signal initiates power pulses at a fixed frequency. The termination of each output pulse occurs when an analogue of the conductor current reaches a threshold established by the error signal. In this way the error signal actually controls the peak conductor current on cycle-by-cycle basis.
General description of MC44603
The
MC44603 is an enhanced high performance controller that is specifically
designed for Off-line and dc-to dc converter applications. This device has the
unique ability of automatically changing operating modes if the converter
output is overloaded., unloaded, or shorted. The MC44603 has several distinguishing
features when compared to conventional SMPS controllers. These features consist
of a fold back facility for
overload protection, a standby mode when the converter output is slightly loaded, and demagnetization detection for reduced switching stresses on transistor and diodes, and a high current totem pole output ideally suited for driving a power MOSFET. It can also be used for driving a bipolar transistor in low power converters. It is optimized to operate in discontinuous mode but can also operate in continuous mode. Its advanced design allows use in current mode or voltage mode control applications.
overload protection, a standby mode when the converter output is slightly loaded, and demagnetization detection for reduced switching stresses on transistor and diodes, and a high current totem pole output ideally suited for driving a power MOSFET. It can also be used for driving a bipolar transistor in low power converters. It is optimized to operate in discontinuous mode but can also operate in continuous mode. Its advanced design allows use in current mode or voltage mode control applications.
MC44603P [Block diagram & pin connections of MC44603]
Pin function descriptions
Operating description
The input voltage Vcc(pin 1) is monitored by a comparator with hysteresis, enabling the circuit at 14.5V and disabling the circuit below 7.5V. The error amplifier compares a voltage Vfb(pin 14) related to the output voltage of the power supply, with an internal 2.5V reference. The current sense comparator compares the output of the error amplifier with the switch current Isense (pin 7) of the power supply. The output of the current sense comparator resets a latch, which is set every cycle by the oscillator. The output stage is a totem pole, capable of driving a MOSFET directly.
Start-up sequence
t1: Charging the capacitor at Vcc
C2129 will be charged via R3123 and R3134, C2133 and C2111 via R3129. The output is switched off during t1.
t2: Charging of output capacitors
When the input voltage of the IC exceeds 14.5V, the circuit is enabled and starts to produce output pulses. The current consumption of the circuit increases to about 17mA, depending on the external loads of the IC. At first, the capacitor at the Vcc pin will discharge because the primary auxiliary voltage, coming from winding 7-9 is below the Vcc voltage. At some moment during t2, the primary auxiliary voltage reaches the same level as Vcc. The Vcc voltage is now determinate by this primary auxiliary voltage.
t3: regulation
The output voltage of the power supply is in regulation
t4: overload
When the output is shortened, the supply voltage of the circuit will decrease and after some time drop below the lower threshold voltage. At that moment, the output will be disabled and the process of charging the Vcc capacitor starts again. If the output is still shorted at the next t2 phase, the complete start-and stop sequence will repeat. The power supply comes in a hiccup mode.
Regulation
The oscillator voltage ramps up and down between V1 and V2.
The voltage at the current sense terminal is compared every cycle with the output of the error amplifier Vcomp. The output is switched off when the current sense level exceeds the level at the output of the error amplifier.
1. Time ON phase : A drain current will flow from the positive supply at pin 1 of the transformer through the transformer's primary winding, the MOSFET and Rsense to ground. As the positive voltage at pin 1 of the transformer is constant, the current will increase linearly and create a ramp dependent on the mains voltage and the inductance of the primary winding. A certain amount of energy is stored in the transformer in the form of a magnetic field. The polarity of the voltages at the secondary windings is such that the diodes are non-conducting.
2. TimeDIODE phase : When the MOSFET is switched off, energy is no longer supplied to the transformer. The inductance of the transformer now tries to maintain the current which has been flowing through it at a constant level. The polarity of the voltage from the transformer therefore becomes reversed. This results in a current flow through the transformer’s secondary winding via the diodes, electrolytic capacitors and the load. This current is also ramp shaped but decreasing.
3. TimeDEAD phase : when the stored energy has been supplied to the load, the current in the secondary windings stops flowing. At this point the drain voltage of the MOSFET will drop to the voltage of C2121 with a ringing caused by the Drain-Source capacitance with the primary inductance.
The oscillator will start a next cyclus which consists of the described three phases. The time of the different phases depends on the mains voltage and the load.
TimeDEAD is maximum at an input of 400VDC and minimum load, it will be zero at an input of 100VDC and overload.
The oscillator voltage ramps up and down between V1 and V2.
The voltage at the current sense terminal is compared every cycle with the output of the error amplifier Vcomp. The output is switched off when the current sense level exceeds the level at the output of the error amplifier.
1. Time ON phase : A drain current will flow from the positive supply at pin 1 of the transformer through the transformer's primary winding, the MOSFET and Rsense to ground. As the positive voltage at pin 1 of the transformer is constant, the current will increase linearly and create a ramp dependent on the mains voltage and the inductance of the primary winding. A certain amount of energy is stored in the transformer in the form of a magnetic field. The polarity of the voltages at the secondary windings is such that the diodes are non-conducting.
2. TimeDIODE phase : When the MOSFET is switched off, energy is no longer supplied to the transformer. The inductance of the transformer now tries to maintain the current which has been flowing through it at a constant level. The polarity of the voltage from the transformer therefore becomes reversed. This results in a current flow through the transformer’s secondary winding via the diodes, electrolytic capacitors and the load. This current is also ramp shaped but decreasing.
3. TimeDEAD phase : when the stored energy has been supplied to the load, the current in the secondary windings stops flowing. At this point the drain voltage of the MOSFET will drop to the voltage of C2121 with a ringing caused by the Drain-Source capacitance with the primary inductance.
The oscillator will start a next cyclus which consists of the described three phases. The time of the different phases depends on the mains voltage and the load.
TimeDEAD is maximum at an input of 400VDC and minimum load, it will be zero at an input of 100VDC and overload.
Input circuit
The input circuit consists of a lightning protection circuit and an EMI filter.
The lightning protection comprises R3120, gas arrestor 1125 and R3124. The EMI filter is formed by C2120, L5120, C2125 and C2126. It prevents inflow of noises into the mains.
Primary rectifier/smoothing circuit
The AC input is rectified by Rectifier Bridge 6120 and smoothed into C2121. The voltage over C2121 is approximately 300V. It can vary from 100V to 390V.
Start circuit and Vcc supply
This circuit is formed by R3123, R3134, C2129, D6129, R3129, R3111, C2133 and C2111. When the power plug is connected to the mains voltage, the stabilized voltage over D6129(24V) will charge C2133 via
R3129. When the voltage reaches 14.5V across C2111, the control circuit of IC7110 is turned on and the regulation starts.
During regulation, Vcc of IC7110 will be supplied by the rectified voltage from winding 7-9 via R3135, D6132 and C2133.
Control circuit
The control circuit exists of IC7110, C2102, 2104, 2107, 2109, 2110, R3102, 3103, 3104, 3107, 3108, 3109 and 3110. The frequency of the oscillator is defined by C2102 and R3110.
Power switch circuit
This circuit comprises MOSFET 7125, Rsense 3126, 3127 and 3128, R3125 , C2127, L5125, R3112 and R3113. R3125 is a pull-down resistor to remove static charges from the gate of the MOSFET.
Regulation circuit
The regulation circuit comprises opto-coupler 7200 which isolates the error signal from the control IC on the primary side and a reference component 7201. The TL431 (7201) can be represented by two components:
* a very stable and accurate reference diode
* a high gain amplifier
The input circuit consists of a lightning protection circuit and an EMI filter.
The lightning protection comprises R3120, gas arrestor 1125 and R3124. The EMI filter is formed by C2120, L5120, C2125 and C2126. It prevents inflow of noises into the mains.
Primary rectifier/smoothing circuit
The AC input is rectified by Rectifier Bridge 6120 and smoothed into C2121. The voltage over C2121 is approximately 300V. It can vary from 100V to 390V.
Start circuit and Vcc supply
This circuit is formed by R3123, R3134, C2129, D6129, R3129, R3111, C2133 and C2111. When the power plug is connected to the mains voltage, the stabilized voltage over D6129(24V) will charge C2133 via
R3129. When the voltage reaches 14.5V across C2111, the control circuit of IC7110 is turned on and the regulation starts.
During regulation, Vcc of IC7110 will be supplied by the rectified voltage from winding 7-9 via R3135, D6132 and C2133.
Control circuit
The control circuit exists of IC7110, C2102, 2104, 2107, 2109, 2110, R3102, 3103, 3104, 3107, 3108, 3109 and 3110. The frequency of the oscillator is defined by C2102 and R3110.
Power switch circuit
This circuit comprises MOSFET 7125, Rsense 3126, 3127 and 3128, R3125 , C2127, L5125, R3112 and R3113. R3125 is a pull-down resistor to remove static charges from the gate of the MOSFET.
Regulation circuit
The regulation circuit comprises opto-coupler 7200 which isolates the error signal from the control IC on the primary side and a reference component 7201. The TL431 (7201) can be represented by two components:
* a very stable and accurate reference diode
* a high gain amplifier
TL431 will conduct from cathode to anode when the reference is
higher than the internal reference voltage of about 2.5V. If the reference
voltage is lower, the cathode current is almost zero.
The cathode current flows through the LED of the opto-coupler.
The collector current of the opto-coupler flows through R3106, producing an error voltage, connected to voltage feedback pin 14 of IC7110.
The cathode current flows through the LED of the opto-coupler.
The collector current of the opto-coupler flows through R3106, producing an error voltage, connected to voltage feedback pin 14 of IC7110.
Demagnetization
The auxiliary winding (7-9) voltage is used to detect magnetic saturation of the transformer core and connected via R3101 to pin 8 of IC7110. During the demagnetization phase, the output will be disabled.
Overvoltage protection circuit
This circuit consist of D6114, C2114, R3115 and R3116.
When the regulation circuit is interrupted due to an error in the control loop, the regulated output voltage will increase (overvoltage). This overvoltage is sensed on the primary winding 7-9.
When an overvoltage longer than 2.0 (s is detected, the output is disabled until VCC is removed and then re-applied. The power supply will come in a hiccup mode as long as the error in the control loop is present.
Secondary rectifier/smoothing circuit
There are 5 rectifier/smoothing circuits on the secondary side. Each voltage depends on the number of windings of the transformer.
The +5Vstby power supply is derived from the +12Vstby by voltage regulator 7233, C2233 and L5233.
The -5V voltage is regulated by voltage regulator 7259 and will be switched off via D6256, T7256 and T7255 during standby (control signal STAND BY is high). When jumper 4250 is mounted instead of this circuit, a supply voltage -8Vstby will be present at pin 9 of connector 0205.
The +5V power supply is derived from +6Vstby by the loader up circuit formed by MOSFET 7236, reference component 7237, R3236, R3237 and C2239. This voltage will be switched off during STAND BY via T7235.
The 3V3 power supply is regulated by the control loop (7201, 7200, 7110) of the switched mode PSU.
The auxiliary winding (7-9) voltage is used to detect magnetic saturation of the transformer core and connected via R3101 to pin 8 of IC7110. During the demagnetization phase, the output will be disabled.
Overvoltage protection circuit
This circuit consist of D6114, C2114, R3115 and R3116.
When the regulation circuit is interrupted due to an error in the control loop, the regulated output voltage will increase (overvoltage). This overvoltage is sensed on the primary winding 7-9.
When an overvoltage longer than 2.0 (s is detected, the output is disabled until VCC is removed and then re-applied. The power supply will come in a hiccup mode as long as the error in the control loop is present.
Secondary rectifier/smoothing circuit
There are 5 rectifier/smoothing circuits on the secondary side. Each voltage depends on the number of windings of the transformer.
The +5Vstby power supply is derived from the +12Vstby by voltage regulator 7233, C2233 and L5233.
The -5V voltage is regulated by voltage regulator 7259 and will be switched off via D6256, T7256 and T7255 during standby (control signal STAND BY is high). When jumper 4250 is mounted instead of this circuit, a supply voltage -8Vstby will be present at pin 9 of connector 0205.
The +5V power supply is derived from +6Vstby by the loader up circuit formed by MOSFET 7236, reference component 7237, R3236, R3237 and C2239. This voltage will be switched off during STAND BY via T7235.
The 3V3 power supply is regulated by the control loop (7201, 7200, 7110) of the switched mode PSU.
Loewe Auro 59502, Loewe Xemix 59501 - SMPS circuit diagram and PWB
Click on the pictures to magnify
















































