Sharp 25NM100, Sharp 25NS100 - service mode adjustments, schematic (full)
When
performing any adjustments to resistor controls and transformers use
non-metallic screwdrivers or TV alignment tools. Before performing adjustments, the TV set
must be on at least 15 minutes.
Circuit protection
The receiver is protected by a 4.0A fuse (F701), mounted on PWB-A, wired into one side of the AC line input.
The receiver is protected by a 4.0A fuse (F701), mounted on PWB-A, wired into one side of the AC line input.
After
service has been performed on the horizontal deflection system, high voltage
system, B+ system, test the X-Radiation protection circuit to ascertain proper
operation as follows:
Apply
120V AC using a variac transformer for accurate input voltage.
2. Allow for warm up and adjust all customer controls for normal picture and sound.
3. Receive a good local channel.
4. Connect a digital voltmeter to TP653 and make sure that the voltmeter reads 11.2 ±0.6V.
5. Apply external 13.8V DC at TP653 by using an external DC supply, TV must shut off.
6. To reset the protector, unplug the AC cord and make a short circuit between TP651 and TP652. Now make sure that normal picture appears on the screen.
7. If the operation of the horizontal oscillator does not stop in step 5, the circuit must be repaired before the set is returned to the customer.
2. Allow for warm up and adjust all customer controls for normal picture and sound.
3. Receive a good local channel.
4. Connect a digital voltmeter to TP653 and make sure that the voltmeter reads 11.2 ±0.6V.
5. Apply external 13.8V DC at TP653 by using an external DC supply, TV must shut off.
6. To reset the protector, unplug the AC cord and make a short circuit between TP651 and TP652. Now make sure that normal picture appears on the screen.
7. If the operation of the horizontal oscillator does not stop in step 5, the circuit must be repaired before the set is returned to the customer.
High voltage is not
adjustable but must be checked to verify that the receiver is operating within
safe and efficient design limitations as specified checks should be as follows:
Connect
an accurate high voltage meter between ground and anode of picture tube.
2. Operate receiver for at least 15 minutes at 120V AC line voltage, with a strong air signal or a properly tuned in test signal.
3. Enter the service mode and select the service adjustment "S19" and Bus data "01" (Y-mute on).
4. The voltage should be approximately, 28.7kV (at zero beam).
If a correct reading cannot be obtained, check circuitry for malfunctioning components. After the voltage test, make Y-mute off to the normal mode.
2. Operate receiver for at least 15 minutes at 120V AC line voltage, with a strong air signal or a properly tuned in test signal.
3. Enter the service mode and select the service adjustment "S19" and Bus data "01" (Y-mute on).
4. The voltage should be approximately, 28.7kV (at zero beam).
If a correct reading cannot be obtained, check circuitry for malfunctioning components. After the voltage test, make Y-mute off to the normal mode.
For
adjustments of this model, the bus data is converted to various analog signals
by the D/A converter circuit.
[There
are still a few analog adjustments in this series such as focus and master
screen voltage. Follow the steps below
whenever the service adjustment is required. See "Table-B" to
determine, if service adjustments are required.]
Service mode
Before putting unit into the service mode, check that customer adjustments are in the normal mode. Use the reset function in the video adjustment menu to ensure customer controls are in their proper (reset) position.
Before putting unit into the service mode, check that customer adjustments are in the normal mode. Use the reset function in the video adjustment menu to ensure customer controls are in their proper (reset) position.
To enter the service mode and exit service mode.
While
pressing the Vol-up and Ch-up buttons at the sametime, plug the AC cord into a
wall socket.
Now the TV set is switched on and enters the service mode.
To exit the service mode, turn the television off by pressing the power button.
Now the TV set is switched on and enters the service mode.
To exit the service mode, turn the television off by pressing the power button.
Service number selection
Once in the service mode, press the Ch-up or Chdown button on the remote controller or at the set.
The service adjustment number will vary in increments of one, from "S01" to "OP2" (25N-M100/ 180, CN25M10), "S01" to "M05"(25N-S100/180, CN25S18/20).
Select the item you wish to adjust.
Once in the service mode, press the Ch-up or Chdown button on the remote controller or at the set.
The service adjustment number will vary in increments of one, from "S01" to "OP2" (25N-M100/ 180, CN25M10), "S01" to "M05"(25N-S100/180, CN25S18/20).
Select the item you wish to adjust.
Data number selection
Press the Vol-up or down button to adjust the data number.
Press the Vol-up or down button to adjust the data number.
Default data values
VCO Adjustment
1. Connect a digital voltmeter between pin (44) of IC201 and ground.
2. Receive a good local channel.
3. Enter the service mode and select the service adjustment "S10".
4. Adjust the data so that digital voltmeter reads 2.2V.
5. Adjustment is completed, remove the voltmeter, return to "normal" mode.
RF AGC Adjustment1. Connect a digital voltmeter between pin (44) of IC201 and ground.
2. Receive a good local channel.
3. Enter the service mode and select the service adjustment "S10".
4. Adjust the data so that digital voltmeter reads 2.2V.
5. Adjustment is completed, remove the voltmeter, return to "normal" mode.
1. Receive a good local channel.
2. Enter the service mode and select the service adjustment "S08".
3. Set the data value to point where no noise or beat appears.
4. Select another channel to confirm that no noise or beat appears. You will have to come out of the service mode to select another channel. Setting the data to "00" will produce a black raster.
2. Enter the service mode and select the service adjustment "S08".
3. Set the data value to point where no noise or beat appears.
4. Select another channel to confirm that no noise or beat appears. You will have to come out of the service mode to select another channel. Setting the data to "00" will produce a black raster.
Screen Adjustment
1. Connect a oscilloscope between TP854 and GND on the CRT Unit.
2. Receive a good local channel.
3. Enter the service mode and select the service adjustment "S03" and set the data value to "00" to set the color level to minimum. (Record original data code under adjustment "S03" before changing) You may skip this step, if you selected a B/W picture or monoscope pattern.
4. Select the service adjustment "S19" and adjust the data value to "01", this turn off the luminance signal (Y-mute).
5. Select the service adjustment "S04" and adjust data value to obtain 2.35 volts on the oscilloscope screen.
1. Connect a oscilloscope between TP854 and GND on the CRT Unit.
2. Receive a good local channel.
3. Enter the service mode and select the service adjustment "S03" and set the data value to "00" to set the color level to minimum. (Record original data code under adjustment "S03" before changing) You may skip this step, if you selected a B/W picture or monoscope pattern.
4. Select the service adjustment "S19" and adjust the data value to "01", this turn off the luminance signal (Y-mute).
5. Select the service adjustment "S04" and adjust data value to obtain 2.35 volts on the oscilloscope screen.
6.
Adjust the master screen control until the raster darkens to the point where
raster is barely seen.
7. Adjust the service adjustments "S11" red, "S12" green and "S13" blue to obtain a good grey scale with normal whites at low brightness level.
8. Select the service adjustment "S19" and reset data to "00". Select the service adjustment "S03" and reset data to obtain normal color level.
9. Remove oscilloscope, and reset the master screen control to obtain normal brightness range.
7. Adjust the service adjustments "S11" red, "S12" green and "S13" blue to obtain a good grey scale with normal whites at low brightness level.
8. Select the service adjustment "S19" and reset data to "00". Select the service adjustment "S03" and reset data to obtain normal color level.
9. Remove oscilloscope, and reset the master screen control to obtain normal brightness range.
White Balance Adjustment
1. Receive a good local channel.
2. Enter the service mode and select the service adjustment "S03" and set to "00" (minimum color)(Record original data code under adjustment "S03" before changing). "S03" does not have to be adjusted, if you selected a B/W picture or monoscope pattern.
3. Alternately adjust service adjustment data of "S14" and "S15" until a good grey scale with normal whites is obtained.
4. Select the service adjustment "S03" and adjust data to obtain normal color level.
1. Receive a good local channel.
2. Enter the service mode and select the service adjustment "S03" and set to "00" (minimum color)(Record original data code under adjustment "S03" before changing). "S03" does not have to be adjusted, if you selected a B/W picture or monoscope pattern.
3. Alternately adjust service adjustment data of "S14" and "S15" until a good grey scale with normal whites is obtained.
4. Select the service adjustment "S03" and adjust data to obtain normal color level.
Sub-Picture Adjustment
1. Receive a good local channel.
2. Make sure the customer picture control is set to maximum.
3. Enter the service mode and select the service adjustment "S01".
4. Adjust the data value to achieve normal contrast range.
1. Receive a good local channel.
2. Make sure the customer picture control is set to maximum.
3. Enter the service mode and select the service adjustment "S01".
4. Adjust the data value to achieve normal contrast range.
Sub-Tint Adjustment
1. Receive a good local channel.
2. Set customer tint control to center of it's range.
3. Enter the service mode and select the service adjustment "S02".
4. Adjust "S02" data value to obtain normal flesh tones.
1. Receive a good local channel.
2. Set customer tint control to center of it's range.
3. Enter the service mode and select the service adjustment "S02".
4. Adjust "S02" data value to obtain normal flesh tones.
Vertical-Size Adjustments
1. Receive a good local channel.
2. Enter the service mode and select the service adjustment "S09".
3. While observing the top and bottom of the screen, adjust "S09" data value to proper vertical size.
1. Receive a good local channel.
2. Enter the service mode and select the service adjustment "S09".
3. While observing the top and bottom of the screen, adjust "S09" data value to proper vertical size.
Vertical Phase Adjustment
1. Enter the service mode and select the service adjustment "S06".
2. Adjust data value to "00".
Note: This must be set "00" when changed data retrace line will appear.
1. Enter the service mode and select the service adjustment "S06".
2. Adjust data value to "00".
Note: This must be set "00" when changed data retrace line will appear.
Horizontal Position Adjustment
1. Receive a good local channel.
2. Enter the service mode and select the service adjustment "S07".
3. Adjust "S07" data value so that picture is centered.
1. Receive a good local channel.
2. Enter the service mode and select the service adjustment "S07".
3. Adjust "S07" data value so that picture is centered.
Caption Position Adjustment (Horizontal)
1. Receive a good local channel.
2. Enter the service mode and select the service adjustment "S18".
3. A black text box appears on the screen
1. Receive a good local channel.
2. Enter the service mode and select the service adjustment "S18".
3. A black text box appears on the screen
4.
Adjust "S18" data value so that text box is positioned in the center
of the screen.
3.58MHz Trap Adjustment- NTSC
1. Receive a good local channel.
2. Enter the service mode and select the service adjustment "S16".
3. This is a two position adjustment, "00" is ON, "01" is OFF.
4. Models should be adjusted as follows.
1. Receive a good local channel.
2. Enter the service mode and select the service adjustment "S16".
3. This is a two position adjustment, "00" is ON, "01" is OFF.
4. Models should be adjusted as follows.
Sharpness and Audio Balance Adjustments
1. Receive a good local channel.
2. Enter the service mode and select the service adjustments "S05" for sharpness and "S17" for balance.
» Sharpness adjustment
3. Adjust data value to "28"(center of data range) for sharpness adjustment.
» Audio balance adjustment
4. Adjust data value to "20"(center of data range) for Audio balance adjustment.
1. Receive a good local channel.
2. Enter the service mode and select the service adjustments "S05" for sharpness and "S17" for balance.
» Sharpness adjustment
3. Adjust data value to "28"(center of data range) for sharpness adjustment.
» Audio balance adjustment
4. Adjust data value to "20"(center of data range) for Audio balance adjustment.
Energy save offset Adjustment
1. Enter the service mode and select the service adjustment "S20".
2. Adjust data value to "23".
Note : This position is used to preset the level for the energy save function.
1. Enter the service mode and select the service adjustment "S20".
2. Adjust data value to "23".
Note : This position is used to preset the level for the energy save function.
Other Adjustments
1. Enter the service mode.
2. Adjust the following data values as listed below.
1. Enter the service mode.
2. Adjust the following data values as listed below.
MTS
ADJUSTMENT - (Only for 25N-S100/180, CN25S18/20)
MTS Level Adjustment
1. Feed the following monaural signal to pin (14) of IC3001. Monaural signal : 300Hz, 245mVrms
2. Connect the rms voltmeter to pin (39) of IC3001.
3. Enter the service mode and select the service adjustment "M01".
4. Adjust the data so that the rms voltmeter reads. 490 ±10mVrms.
1. Feed the following monaural signal to pin (14) of IC3001. Monaural signal : 300Hz, 245mVrms
2. Connect the rms voltmeter to pin (39) of IC3001.
3. Enter the service mode and select the service adjustment "M01".
4. Adjust the data so that the rms voltmeter reads. 490 ±10mVrms.
MTS VCO Adjustment
1. Keep the unit in no-signal state.
2. Connect the frequency counter to pin (39) of IC3001.
3. Connect a capacitor (100µF, 50V) in between positive(+) side of C3005 and ground.
4. Enter the service mode and select the service adjustment "M02"
5. Adjust the data so that the frequency counter reads. 62.94 ±0.75kHz.
1. Keep the unit in no-signal state.
2. Connect the frequency counter to pin (39) of IC3001.
3. Connect a capacitor (100µF, 50V) in between positive(+) side of C3005 and ground.
4. Enter the service mode and select the service adjustment "M02"
5. Adjust the data so that the frequency counter reads. 62.94 ±0.75kHz.
Filter Adjustment
1. Feed the following stereo pilot signal to pin (14) of IC3001 .
Stereo pilot signal: 9.4kHz, 600mVrms.
2. Enter the service mode and select the service adjustment "M03".
3. Adjust the data at the point where "OK" appears on the screen. The "OK" represents the approximate center of the adjustable range of the data.
1. Feed the following stereo pilot signal to pin (14) of IC3001 .
Stereo pilot signal: 9.4kHz, 600mVrms.
2. Enter the service mode and select the service adjustment "M03".
3. Adjust the data at the point where "OK" appears on the screen. The "OK" represents the approximate center of the adjustable range of the data.
Separation Adjustment
1. Connect the rms voltmeter to pin (39) of IC3001.
2. Receive the following composite stereo signal 1.
Composite stereo signal: 30% modulation, left channel only, noise reduction on, 300Hz
3. Enter the service mode and select the service adjustment "M04".
4. Adjust the data until the AC voltage reading of the rms voltmeter is minimum.
5. Receive the following composite stereo signal 2.
Stereo signal: 30% modulation, left channel only, noise reduction on, 3kHz
6. Enter the service mode and select the service adjustment "M05".
7. Adjust the data until the AC voltage reading of the rms voltmeter is minimum.
8. Take the above steps 1 thru 8 again for fine adjustment.
1. Connect the rms voltmeter to pin (39) of IC3001.
2. Receive the following composite stereo signal 1.
Composite stereo signal: 30% modulation, left channel only, noise reduction on, 300Hz
3. Enter the service mode and select the service adjustment "M04".
4. Adjust the data until the AC voltage reading of the rms voltmeter is minimum.
5. Receive the following composite stereo signal 2.
Stereo signal: 30% modulation, left channel only, noise reduction on, 3kHz
6. Enter the service mode and select the service adjustment "M05".
7. Adjust the data until the AC voltage reading of the rms voltmeter is minimum.
8. Take the above steps 1 thru 8 again for fine adjustment.
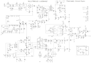
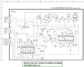
Schematic
























