Friday, December 30, 2016

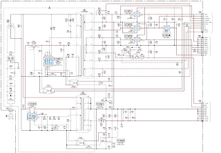
JBL SU333 Sub-Woofer circuit diagram - Dolby Pro-Logic Surround Processor Amplifier Subwoofer

Used ICs: 4052,4094, TC4052, CS4227, M62446FP, TL074, STK407-250, STK407-050, STK4038, ZR38601(Dolby Digital Decoder)
Sub-woofer Amp 60w x 1 ch. section
Type (Class AB, D, other) AB
Load Impedance (speaker) 4 Ohms Nominal
Rated Output Power 60 Watts ALL CH.driven
THD @ Rated Power 0.08 % 22k filter 60W (BW 30-120Hz)
2-Way video-shielded micro-satellites with titanium laminate tweeters and common voicing for all five channels, and an 8-inch, long-throw, floor-firing sub-woofer.
Complete, self-powered Dolby  Digital home-cinema sound system with five satellite speakers, sub-woofer, remote control, and all amplification built in.  All amplification and controls are mounted in the sub-woofer, eliminating the need for a separate control unit.
Remote controllable via outboard remote eye that can be mounted with the center channel or separately, so that the sub-woofer can be hidden away.
ABOUT DOLBY DIGITAL
Dolby Digital, unlike “matrixed” systems (such as Dolby Pro Logic) that derive and decode multi-channel sound from two channels of sound, is capable of delivering information for one sub-woofer and five full-range channels as discrete and individual channels in digital AC-3 data format from sources such as a DVD player. The result is clear and accurate digital sound to each speaker, along with availability of stereo-surround effects (Dolby Pro Logic features mono surrounds).
Dolby Digital is capable of delivering several different formats of surround sound, the most robust one being the 5.1-channel mode, which provides separate signals for five satellite speakers as well as for a sub woofer. The ESC333 features a “5.1-Ch” indicator that illuminates when a Dolby Digital 5.1-channel encoded signal is present. Dolby Digital can also provide other AC-3 digital multi-channel signals, as well as 2-channel signals, which can be decoded via Dolby Pro Logic processing into multi-channel surround sound. In the latter case, both the Dolby Pro Logic and Dolby Digital indicators will illuminate in the ESC333 display.
Click on the pictures to zoom in
Circuit diagram (Schematic)
Automatic On/Off and Automatic Digital-Input Selection
The ESC333 offers two unique user-convenience features:
Automatic Turn-On/Shut-Down and Automatic Digital-Input Selection.
The Automatic Turn-On feature will turn the ESC333 on as soon as a source connected to its digital inputs (such as DVD, CD player with digital output, or any other device featuring a coaxial or optical digital output) is switched on, or as soon as the unit connected to its last-used analog input starts outputting sound.
When using digital inputs, the Automatic Turn-On can be activated by turning on either one of the connected digital sources such as a DVD player or a CD player with digital output. When using analog inputs (TV or AUX), Automatic Turn-On is available only for the device that was last listened to before the ESC333 shut down. In order to listen to the other device, the ESC333 input needs to be manually selected by using the Input button on the product and on the remote, which, in turn, disables the Automatic Digital-Input Selector until the ESC333 is shut down.
The Automatic Turn-Off shuts the unit down five minutes after all sources connected to its digital inputs are powered down and the device connected to its selected analog input stops playing.
The Automatic Digital-Input Selector automatically selects the source connected to its digital inputs when that source is powered on. Upon power down of this digital unit, if no other source is on, the ESC333 will switch itself off after five minutes.
If the analog source that was selected prior to the digital source turning on is still playing, the ESC333 will switch back to that other source. Once a digital source is powered on and selected as an input, turning on a device connected to the other digital input will not switch the input until the selected digital device is first powered off. These two features can only be used if the customer does not manually turn the ESC333 on or off, and does not manually select an input source. Once either of these selections is made manually, the automatic features are disabled as follows:
1. If the ESC333 is turned off manually, it will not turn back on automatically until five minutes after the source connected to the ESC333 is shut down. During these five minutes, it can be turned on either from the front panel or via the remote control.
2. Once an input source is selected manually, the Automatic Source-Selection feature will remain disabled until the ESC333 shuts down.
3. Once any one of the two devices connected to the ESC333 digital inputs is powered on and its input is selected by the ESC333, the device connected to the other digital input of the ESC333 cannot be automatically selected until the already-selected digital device is powered down.

Philco PCA 530 Auto Radio schematic diagram, firmware update, Exploded view

Used ICs: SPHE8202TQ, AM5888, ST7703, TJM4558, PT2347, M6X, NJM2235 
Note that the Auto Radio PCA530 has four display models (V.A-1, V.A- 2, V.B, V.C) that are incompatible with each other, in order to Firmware.
The products V.A-1 and V.A-2 have the same display, and the product V.B the display is Different, but the three are TFT (Toppoly), and the product hardware (TFT controller) V.A-2 and V.B are the same and different from the product V.A-1 this controller is located in the PCI display. As a consequence, in the main PCI the change is software only, there is a Firmware for each TFT controller.  Regardless of this, we guarantee that the parts CAN BE COMPATIBILIZED Through firmware update.
If an authorized service station has a product, V.A-1 or V.A-2 and receives a part (PCI MAIN or PCI DISPLAY) V.B, just make the update to compatible the Set and so vice versa
Update procedure for VERSIONS A-1 and A-2
Go to www.telecontrol.com.br, go to the technical documentation, click on AUTORADIO.  After clicking on the option 056955008ATA - AUTO RADIO PCA 530 VERSION A, download the two files that will appear for download, firmware DRIVER T118FS and firmware DRIVER T112, if you need to upgrade to V.A-1 / A-2.

Unzip the required driver (T118FS or T112)> After uncompressed, the file will appear, Insert the update file into a USB device > connect the product  > connect it to a TV via the video output > connect the USB device and switch to the USB mode via the panel MOD key > When the update screen appears click ‘SEL’ to confirm the update > the product will run out of video signal then turn it off and turn it on again> the product is up to date.
Exploded view [Click on the pictures to magnify]
CD/DVD section circuit diagram
Display section schematic diagram
Tuner and Microprocessor section schematic diagram
Update procedure for VERSION B
Go to www.telecontrol.com.br, go to the technical documentation, click on AUTORADIO, After clicking, click the option 056955008ATB - AUTO RADIO PCA 530 VERSION B, download the file that will appear for download, firmware DRIVER T118FS V.B
Unzip the required driver (T118FS V.B)> After unzipped, it will appear the file, Insert the update file into a USB device> connect the product> connect it to a TV via the video output > Connect the USB device and switch to the USB via the panel MOD key > When the update screen appears click on SEL to confirm the update > when the product runs out of video> turn it off and on again> the product is up to date.

Wednesday, December 28, 2016

Aiwa AVJ X33 HTS SMPS and Power amplifier circuit diagram, DVD processor reset procedure

Aiwa AVJ-X33 DVD HOME THEATRE SYSTEM  AEP,UK, E, and Australian Models; Used ICs: STA505-5C, STA501, FSDMO365RN, KAQ1265RF-YDTU
Amplifier specs
Stereo mode 50 W + 50 W (8 Ω at 1 kHz, THD 10%)
Surround mode Front: 50 W + 50 W (*Depending on the Centre*: 50 W sound mode settings Surround*: 50 W + 50 W and the source, there (8 Ω at 1 kHz, THD 10%) may be no sound Subwoofer*: 80 W output.) (4 Ω at 50 Hz, THD 10%)
Outputs PHONES: (32 Ω, 25 mW)
Notes on Chip Component Replacement
 Never reuse a disconnected chip component.
 Notice that the minus side of a tantalum capacitor may be damaged by heat.
Power amplifier and SMPS circuit diagram.  (The circuit used with this set is designed by Sony)
DVD Processor Reset Procedure
1. Press the DVD SETUP key on the remote commander to enter the set up screen. The following SET UP menu is displayed.
2. Move the cursor to [TV Aspect,16:9 Wide] on the screen.
3. Press the following keys in the order of [1 > 3 > 9 > 7 > 1 > 3 > 9 > ENTER] on the remote commander.
4. The following menu is displayed and the DVD Processor is reset to the default set up when the product is shipped from the factory.
5. Press any key on the remote commander to exit this mode.  The DVD Processor reset procedure is completed.

Tuesday, December 27, 2016

Samsung UA23H4003 LED TV - How to check the fault symptom, firmware upgrade, T-Con board fault symptoms

T’Con board check, software update, troubleshooting – Samsung LED TV UA23H4003AR
General troubleshooting
Check List for Initial operation
> AC Power Cord connected to the TV and the wall receptacle.
> Standby Power/IR Indicator LED is turned On.
> If Power/IR Indicator is not on check 14P power cable is connected and for correct Standby Voltage from SMPS to Main. Also check Jog Function Cable.
> Power turned On with Jog Function or Remote.
> Power on command from main Board to SMPS.
> Power/IR Indicator Flashes.
> Panel Back Lights are turned On.
- If no Back-lights, unplug AC Power Cord, unplug 14 pin connector to SMPS, plug in AC Power Cord, Back light should come on. Check Main Board operation for error.
> Power/IR Indicator goes off.
> Picture or banner is displayed.
* If nothing is displayed , check the LVDS cable.
How to know it is from Main Board or T-Con when some problems happen
1. No Picture : Backlight is on, but there is no picture and LED indicator in front of TV is blinking.
- Check the LVDS Cable connection. If still problems, change the T-Con Board and then Main Board step by step.
2. Picture distortion : Enter the service mode => Choose ‘SVC’ => Check the ‘internal pattern.’
Enter ‘Service Mode.
3. Choose ‘SVC.’
4. Choose ‘Test pattern.’
5. Select the each pattern and then check all pattern is OK or not.
How to Check Fault Symptom - No Power and No Video
* The LEDs on The front panel do not work when connecting The power cord.
* The SMPS relay does not work when connecting The power cord.
* The units appears to be dead.
Check if the IP relay or the LEDs on the front panel does not work when connecting the power cord if the cables are
improperly connected or the Main Board or SMPS is not functioning. In this case, check the following:
* Check the internal cable connection status inside the unit.
* Check the fuses of each part.
* Check the output voltage of SMPS.
* Replace the Main Board.
If you replace the main board with new one, change the factory option as well.
The options you must change are "Type".
Main board and power board voltage chart
Software Upgrade
Software Upgrade can be performed by downloading the. latest frmware from samsung.com to a USB memory device.
• Current Version - The software already installed in the TV.
Software is represented as ‘Year/Month/Day_Version’.
How to Check the Software Version
„ Use the Main Menu
1. Click the "MENU" key in remote controller.
2. Select "Support" menu.
3. Locate the menu cursor "Software Upgrade" menu.
4. Click the "INFO" key.
 Check the Main SW and Micom version.
You can check the software version using the factory mode too.
How to Upgade Software and Micom
Insert a USB drive containing the frmware upgrade downloaded from samsung.com into the TV. Please be careful not to disconnect the power or remove the USB drive while upgrades are being applied. The TV will turn off and turn on automatically after completing the frmware upgrade. Please check the frmware version after the upgrades are complete (the new version will have a higher number than the older version). When software is upgraded, video and audio settings you have made will return to their default (factory) settings. We recommend you write down your settings before beginning frmware update. After update is completed, restore your previous settings.
Main Software Upgrade
1. Save the firmware folder to the root directory of a USB drive.
- Connect the USB.
2. Click the "MENU" key in Remote Controller.
3. Select "Support" menu.  Select "Software Upgrade"
4. Click the "ENTER" key.
5. Click the "ENTER" key.
- Wait for upgrade complete.
- Check the Software Version.
How to enter service mode to Samsung Televisions 
Universal remote control codes to check with Samsung Televisions
0030 0049 0050 0066 0076 0101 0102 0119 0143 0152 0154 0166 0181 0195 0209 0217 0240 0307 0318 0365 0379 0414 0421 0488 0492 0601 0624 0637 0642 0827

Saturday, December 24, 2016

Panasonic CT-13R18B, CT-13R38S, CT-13R28W How to enter the adjustment mode, adjustments and circuit diagram

Universal remote control set-up code list for Panasonic TVs: 0016 0032 0033 0049 0054 0075 0099 0101 0104 0107 0110 0119 0143 0151 0152 0161 0166 0207 0249 0304 0305 0306 0396 0420 0461 0611 0631 0633 0692
Service mode entry procedure, and adjustments
On-Screen Display Adjustment
In the condition of NO indication on the screen.  Press the VOL. DOWN button on the set and the Channel button (9) on the remote control for more than 1 second to appear the adjustment mode on the screen.
Use the Channel UP/DOWN button or Channel button (0-9) on the remote control to select the options.
Press the ACTION button on the remote control to end the adjustments.
CUT OFF (RF)
Adjust the unit to the following settings.
R.DRIVE=10, B.DRIVE=10, R.BIAS=64, G.BIAS=64, B.BIAS=64, BRIGHTNESS=120, CONTRAST=40.
Place the set with Aging Test for more than 15 minutes.
Activate the adjustment mode display and press the channel button (01) on the remote control to select "CUT OFF".
Adjust the Screen Volume until a dim raster is obtained.
WHITE BALANCE (RF)
NOTE: Adjust after performing CUT OFF adjustment.
Place the set with Aging Test for more than 10 minutes.
Receive the gray scale pattern from the Pattern Generator.  Using the remote control, set the brightness and contrast to normal position.
Activate the adjustment mode display and press the channel button (10) on the remote control to select “R. BIAS”.
Press the CH. UP/DOWN button on the remote control to select the “R. BIAS”, “G. BIAS”, “B. BIAS”, “R. DRIVE” or “B. DRIVE”.
Adjust the VOL. UP/DOWN button on the remote control to whiten the R. BIAS, G. BIAS, B. BIAS, R. DRIVE, and B. DRIVE at each step tone sections equally.
Perform the above adjustments 5 and 6 until the white color is looked like a white.
FOCUS (RF)
Receive a broadcast.
Turn the Focus Volume fully counterclockwise once.
Adjust the Focus Volume until picture is distinct.
HORIZONTAL PHASE (RF)
Receive the center cross signal from the Pattern Generator.
Activate the adjustment mode display and press the channel button (05) on the remote control to select "H.PHAS".
Press the VOL. UP/DOWN button on the remote control until the right and left screen size of the vertical line becomes the same.
VERTICAL SIZE (RF)
Receive the cross hatch signal from the Pattern Generator.
Using the adjustment control, set the brightness and contrast to normal position.
Activate the adjustment mode display and press the channel button (06) on the remote control to select "V.SIZE".
Press the VOL. UP/DOWN button on the remote control until the rectangle on the center of the screen becomes square.
Receive a broadcast and check if the picture is normal.
VERTICAL SHIFT (RF)
Receive the center cross signal from the Pattern Generator.
Activate the adjustment mode display and press the channel button (07) on the remote control to select "V.SFT".
Press the VOL. UP/DOWN button on the remote control until the horizontal line becomes fit to the notch of the shadow mask.
OSD HORIZONTAL (RF)
Activate the adjustment mode display.
Press the VOL. UP/DOWN button on the remote control until the difference of A and B becomes minimum.
MICON, Chroma, Tuner schematic [Main PWB] S24C02BDP-1A, OEC7094A, ENG36A01G(Tuner)
POWER (SMPS)
DEFLECTION AND CRT BASE CARD – AN5522, TT2140LS-YBC11(Horizontal scan output transistor), FNI-14B002(LOT), A34AGT13X98(L) Picture tube
Voltage chart
Click on the pictures to magnify
BRIGHTNESS MANUAL (RF, AV)
Activate the adjustment mode display of and press the channel button (13) on the remote control to select "BRI.CENT".
Press the VOL. UP/DOWN button on the remote control until the brightness step No. becomes "120".
Receive a broadcast and check if the picture is normal. Press the TV/VIDEO button on the remote to set to the AV mode.
SUB TINT/SUB COLOR (RF, AV)
Receive the color bar pattern. (RF Input)
Activate the adjustment mode display and press the channel button (22) on the remote control to select "TINT".
Connect the oscilloscope to TP023.
Press the VOL. UP/DOWN button on the remote control until the section "A" becomes as straight line.
Press the channel button (19) on the remote control to select "COL. CENT".
Connect the oscilloscope to TP022.
Adjust the VOLTS RANGE VARIABLE knob of the oscilloscope until the range between white 100% and 0% is set to 5 scales on the screen of the oscilloscope.
Press the VOL. UP/DOWN button on the remote control until the red color level is adjusted to 110% of the white level.
Receive the color bar pattern. (Audio Video Input) Press the TV/VIDEO button on the remote control to set to the AV mode. Then perform the above adjustments.
SUB CONTRAST (RF, AV)
Activate the adjustment mode display and press the channel button (17) on the remote control to select "CONT.MAX".
Press the VOL. UP/DOWN button on the remote control until the contrast step No. becomes "45".
Receive a broadcast and check if the picture is normal.
Press the TV/VIDEO button on the remote to set to the AV mode. Then perform the above adjustment.

Hi-Power High voltage stereo amplifier circuit using FET - IRFP264N

Used semiconductors and ICs: IR2110, AD8039, LM339, 5532, LM555, LM311, CD4070, IRFP264N(FET)
Circuit diagram
Click on the schematic to zoom in

Friday, December 23, 2016

715G5243, 715G5173, 715G5113 Power board and inverter board circuit diagram

715G5243 Philips 3h134w - 715G5173 NECE554, NECE424, Sharp LC42LE40E, 42PFL5820
Used ICs: R2A20113ASP, STF24NM60N(FET), A6069H,SSC9512S-TL
Schematic
715G5113 Philips 32PFL3017H Inverter– OZ9976GN-C-0-TR, TK10A50D(FET)
Schematic

Thursday, December 22, 2016

Panasonic Microwave oven NN-ST652WRUN, NN-ST652WRUK troubleshooting, Circuit diagram

DISASSEMBLY AND ADJUSTMENT
OUTER CASE REMOVAL
1) Disconnect the power supply cord from the outlet.
2) Remove the screws from the rear and alongside edges of the case.
The outer case must be moved backward to be lifted off.
POWER SUPPLY CORD
1) Remove the outer case.
2) Disconnect two terminals, and remove one screw of the earth terminal.
CAUTION: DISCHARGE THE HIGH VOLTAGE CAPACITOR BEFORE SERVICING
CONTROL PANEL ASSEMBLY
1) Disconnect the leadwire from the Timer motor
2) Remove the screws for securing the control panel.
3) Lift control panel ASS ’Y from the oven by the tab unhooked.
DOOR ASSEMBLY REMOVAL
1) Open the door.
CAUTION: Be careful not to damage Door by screwdriver.
3) Lift up and pull the door.
NOTE: 1. After replacing the door, be sure to check that the primary switch, monitor switch, and secondary switch operate normally.
2. After replacing the door, check for microwave energy leakage with a survey meter. Microwave energy must be below the limit of 5 mW/cm2. (with a 275 ml water load)
3. When mounting the door assembly to the oven assembly, be sure to adjust the door assembly parallel to the chassis. Also adjust so the door has no play between the inner door surface and oven frame assembly. If the door assembly is not mounted properly, microwaves may leak from the clearance between the door and the oven.
AIR GUIDE ASSEMBLY REMOVAL
1) Disconnect the leadwire from lamp, A.C Relay and monitor resistor and magnetron.
2) Remove the screw to the cavity.
MAGNETRON REMOVAL
1) Disconnect the leadwire from the high voltage transformer and high voltage capacitor.
2) Remove the air guide.
3) Carefully remove the mounting screws holding the magnetron and the wave-guide.
4) Remove the magnetron until the tube is clear from the wave-guide.
NOTE:
1. When removing the magnetron, make sure its dome does not hit any adjacent parts, or it may be damaged.
2. When replacing the magnetron, be sure to install the magnetron gasket in the correct position and be sure that the gasket is in good condition.
3. After replacing the magnetron, check for microwave leakage with a survey meter around the magnetron. Microwave energy must be below the limit of 5 mW/cm2. (With a 275 ml. water load).  Make sure that gasket is rigidly attached to the magnetron. 
To prevent microwave leakage, tighten the mounting screws properly, making sure there is no gap between the waveguide and the magnetron.
REMOVING THE TURNTABLE MOTOR
1) Remove the glass tray.
2) Remove the pulley shaft VERY CAREFULLY
3) Lay the unit down on its back.
4) Remove the turntable motor cover.  The turntable base cover is easily removed by pinching the six parts with a wire cutting.
5) Disconnect the leadwire from the turntable motor terminals.
6) Remove the screw securing the turntable motor to the oven cavity ASS’Y
7) After rep the motor, rotate the removed turntable motor cover.
8) Fit the turntable motor cover’s projecting part to the base plate slit.
NOTE:
1. Remove the wire lead from the turntable motor VERY CAREFULLY.
2. Be sure to grasp the connector, not the wires, when removing.
INTERLOCK SYSTEM
1) INTERLOCK MECHANISM
The door lock mechanism is a device which has been specially designed to eliminate completely microwave activity when the door is opened during cooking and thus to prevent the danger resulting from the microwave leakage.
2) MOUNTING OF THE PRIMARY/MONITOR/ SECONDARY SWITCHES TO THE LATCH BOARD.
3) INSTALLATION AND ADJUSTMENT OF THE LATCH BOARD TO THE OVEN ASSEMBLY
• Mount the latch board to the oven assembly.
• Adjust the latch board in the arrow direction so that oven door will not have any play in it when the door is closed.
• Tighten the mounting screw.
• Check for play in the door by pushing the door release button. Door movement should be less than 0.5 mm. (1/64 inch).  Don't push the door release button while making adjustment. Make sure that the latch moves smoothly after adjustment are completed and that the screws are tight. Make sure the primary, monitor, and secondary switches operate properly.
PRIMARY INTERLOCK SWITCH TEST
When the door release button is depressed slowly with the door closed, an audible click should be heard at the same time or successively at intervals. When the button is released slowly, the latches should activate the switches with an audible click.
If the latches do not activate the switches when the door is closed, the switches should be a adjusted in accordance with the adjustment procedure. Disconnect the wire lead from the
primary switch. Connect the ohmmeter leads to the common (COM) and normally open (NO) terminal of the switch. The meter should indicate open circuits in the door open condition.
When the door is closed, the meter should indicate a closed circuit.  When the primary switch operation is abnormal, make the necessary adjustment or replace the switch only with the same type of switch.
SECONDARY INTERLOCK SWITCH TEST
Disconnect the wire lead from the secondary switch.
Connect the ohmmeter leads to the common (COM) and normally open (NO) terminals of the switch. The meter should indicate a open circuit in the door open condition. When the door is closed, meter should indicate an closed circuit. When the secondary switch operation is abnormal, make the necessary adjustment or replace the switch only with the same type of switch.
MONITOR SWITCH TEST
Disconnect the wire lead from the monitor switch.  Connect the ohmmeter leads to the common (COM) and normally closed (NC) terminals of the switch. The meter should indicate closed circuit in the door open condition. When the door is closed, meter should indicate an open circuit. When the monitor switch operation is abnormal, replace with the same type of switch.
NOTE: After repairing the door or the interlock system, it is necessary to do this continuity test before operating the oven.
Circuit diagram [Click on the pictures to magnify]
Troubleshooting
The following visual conditions indicate a probable defective control circuit.
1) Incomplete segments.
> Segment missing.
> Partial segment missing.
> Digit flickering (NOTE: Slight flickering is normal.)

2. Colon does not turn on or blink.
3. A distinct change in the brightness of one or more numbers in display.
4. One or more digits in the display are not lighting.
5. Display indicates a number different from one touched, for example, key in 5 and 3 appears in the display.
6. Specific numbers (for example 7 or 9) will not display when key pad is touched.
7. Display does not count down with time blinking or up with clock operation.
8. Display obviously jumps in time while counting down.
9. Display counts down too fast while cooking.
10. Each indicator light does not turn on after setting cooking cycle.
11. Display time of day does not reappear when cooking is finished.
12. Beep sound is not heard when correct key is touched.
Oven does not operate at all ; Display window does not display any figures and no input is accepted.
NOTE: All these switches must be replaced at the same time.
Display shows all figures set, but oven does not start cooking while desired program times are set and START pad is touched.
No microwave oscillation even though oven lamp and fan motor run (Display operates properly)
Oven does not cook properly when programmed for the set power level (Operates properly on HIGH)

Wednesday, December 21, 2016

Philips LCD TVs – Q552.4 Chassis - Service Modes, Error Codes, and Fault Finding

Test Points
As most signals are digital, it will be difficult to measure waveforms with a standard oscilloscope. However, several key ICs are capable of generating test patterns, which can be controlled via ComPair. In this way it is possible to determine which part is defective.
Perform measurements under the following conditions:
• Service Default Mode.
• Video: Colour bar signal.
• Audio: 3 kHz left, 1 kHz right.
Service Modes
Service Default mode (SDM) and Service Alignment Mode (SAM) offers several features for the service technician, while the Customer Service Mode (CSM) is used for communication between the call centre and the customer.
This chassis also offers the option of using ComPair, a hardware interface between a computer and the TV chassis. It offers the abilities of structured troubleshooting, error code reading, and software version read-out for all chassis.
Note: For the new model range, a new remote control (RC) is used with some renamed buttons. This has an impact on the activation of the Service modes. For instance the old “MENU” button is now called “HOME” (or is indicated by a “house” icon).
Service Default Mode (SDM)
Purpose
• To create a pre-defined setting, to get the same measurement results as given in this manual.
• To override software protections detected by stand-by processor and make the TV start up to the step just before protection (a sort of automatic stepwise start-up• To start the blinking LED procedure where only LAYER 2 errors are displayed.
SDM default settings
Region Freq. (MHz) Default system
Europe, AP(PAL/Multi) 475.25 PAL B/G
Europe, AP DVB-T 546.00 PID Video: 0B
06 PID PCR: 0B 06 PID
Audio: 0B 07 DVB-T
• All picture settings at 50% (brightness, colour, contrast).
• Sound volume at 25%.
• All service-unfriendly modes (if present) are disabled, like:
– (Sleep) timer.
– Child/parental lock.
– Picture mute (blue mute or black mute).
– Automatic volume levelling (AVL).
– Skip/blank of non-favourite pre-sets
How to Activate SDM
For this chassis there are two kinds of SDM: an analogue SDM and a digital SDM.
• Analogue SDM: use the standard RC-transmitter and key in the code “062596”, directly followed by the “MENU” (or “HOME”) button.
Note: It is possible that, together with the SDM, the main menu will appear. To switch it “off”, push the “MENU” (or "HOME") button again.
Analogue SDM can also be activated by grounding for a moment the solder path on the SSB, with the indication “SDM”.
• Digital SDM: use the standard RC-transmitter and key in the code “062593”, directly followed by the “MENU” (or "HOME") button.
Note: It is possible that, together with the SDM, the main menu will appear. To switch it “off”, push the “MENU” (or "HOME") button again.
After activating this mode, “SDM” will appear in the upper right corner of the screen (when a picture is available).
How to Navigate
When the “MENU” (or “HOME”) button is pressed on the RC transmitter, the TV set will toggle between the SDM and the normal user menu.
How to Exit SDM
Use one of the following methods:
• Switch the set to STAND-BY via the RC-transmitter.
• Via a standard customer RC-transmitter: key in “00”- sequence.
Service Alignment Mode (SAM)
Purpose
• To perform (software) alignments.
• To change option settings.
• To easily identify the used software version.
• To view operation hours.
• To display (or clear) the error code buffer.
How to Activate SAM
Via a standard RC transmitter: Key in the code “062596” directly followed by the “INFOorOK” button. After activating SAM with this method a service warning will appear on the screen, continue by pressing the “OK” button on the RC.
Contents of SAM
• Hardware Info.
– A. SW Version. Displays the software version of the main software (example: Q555X-1.2.3.4 = AAAAB_X.Y.W.Z).
• AAAA= the chassis name.
• B= the software branch version. This is a sequential number (this is no longer the region indication, as the software is now multi-region).
• X.Y.W.Z= the software version, where X is the main version number (different numbers are not compatible with one another) and Y.W.Z is the sub version number (a higher number is always compatible with a lower number).
– B. STBY PROC Version. Displays the software version of the stand-by processor.
– C. Production Code. Displays the production code of the TV, this is the serial number as printed on the back of the TV set. Note that if an NVM is replaced or is initialized after corruption, this production code has to be re-written to NVM. ComPair will foresee in a possibility to do this.
• Operation Hours. Displays the accumulated total of operation hours (not the stand-by hours). Every time the TV is switched “on/off”, 0.5 hours is added to this number.
• Errors (followed by maximum 10 errors). The most recent error is displayed at the upper left,
• Reset Error Buffer. When “cursor right” (or “OK” button) pressed here, followed by the “OK” button, the error buffer is reset.
• Alignments. This will activate the “ALIGNMENTS” sub menu.
• Dealer Options. Extra features for the dealers.
• Options. Extra features for Service. For more info regarding option codes.
Note that if the option code numbers are changed, these have to be confirmed with pressing the “OK” button before the options are stored, otherwise changes will be lost.
• Initialize NVM. The moment the processor recognizes a corrupted NVM, the “initialize NVM” line will be highlighted.  Now, two things can be done (dependent of the service instructions at that moment):
– Save the content of the NVM via ComPair for development analysis, before initializing. This will give the Service department an extra possibility for diagnosis (e.g. when Development asks for this).
– Initialize the NVM
Note: When the NVM is corrupted, or replaced, there is a high possibility that no picture appears because the display code is not correct. So, before initializing the NVM via the SAM, a picture is necessary and therefore the correct display option has to be entered. To adapt this option, it’s advised to use ComPair or a method via a standard RC (described below).
Changing the display option via a standard RC: Key in the code “062598” directly followed by the “MENU” (or "HOME") button and “XXX” (where XXX is the 3 digit decimal display code as mentioned on the sticker in the set). Make sure to key in all three digits, also the leading zero’s. If the above action is successful, the front LED will go out as an indication that the RC sequence was correct. After the display option is changed in the NVM, the TV will go to the Stand-by mode. If the NVM was corrupted or empty before this action, it will be initialized first (loaded with default values). This initializing can take up to 20 seconds.
Location of Display Option Code sticker
• Store - go right. All options and alignments are stored when pressing “cursor right” (or the “OK” button) and then the “OK”-button.
• Operation hours display. Displays the accumulated total of operation hours of the screen itself. In case of a display replacement, reset to “0” or to the consumed operation hours of the spare display.
• SW Maintenance.
– SW Events. In case of specific software problems, the development department can ask for this info.
– HW Events. In case of specific software problems, the development department can ask for this info :
- Event 26: refers to a power dip, this is logged after the TV set reboots due to a power dip.
- Event 17: refers to the power OK status, sensed even before the 3 x retry to generate the error code.
• Test settings. For development purposes only.
• Development file versions. Not useful for Service purposes, this information is only used by the development department.
• Upload to USB. To upload several settings from the TV to an USB stick, which is connected to the SSB. The items are “Channel list”, “Personal settings”, “Option codes”, “Alignments”, “Identification data” (includes the set type and prod code + all 12NC like SSB, display, boards), “History list”. The “All” item supports to upload all several items at once.
First a directory “repair\” has to be created in the root of the USB stick.
To upload the settings, select each item separately, press “cursor right” (or the “OK” button), confirm with “OK” and wait until the message “Done” appears. In case the download to the USB stick was not successful, “Failure” will be displayed. In this case, check if the USB stick is connected properly and if the directory “repair” is present in the root of the USB stick. Now the settings are stored onto the USB stick and can be used to download into another TV
or other SSB. Uploading is of course only possible if the software is running and preferably a picture is available.
This method is created to be able to save the customer’s TV settings and to store them into another SSB.
• Download from USB. To download several settings from the USB stick to the TV, same way of working needs to be followed as described in “Upload to USB”. To make sure that the download of the channel list from USB to the TV is executed properly, it is necessary to restart the TV and tune to a valid preset if necessary. The “All” item supports to download all several items at once.
• NVM editor. For NET TV the set “type number” must be entered correctly.
Also the production code (AG code) can be entered here via the RC-transmitter.
Correct data can be found on the side/rear sticker.
How to Navigate
• In SAM, the menu items can be selected with the “CURSOR UP/DOWN” key on the RC-transmitter. The selected item will be highlighted. When not all menu items fit on the screen, move the “CURSOR UP/DOWN” key to display the next/previous menu items.
• With the “CURSOR LEFT/RIGHT” keys, it is possible to:
– (De) activate the selected menu item.
– (De) activate the selected sub menu.
• With the “OK” key, it is possible to activate the selected action.
How to Exit SAM
Use one of the following methods:
• Switch the TV set to STAND-BY via the RC-transmitter.
• Via a standard RC-transmitter, key in “00” sequence, or select the “BACK” key.
Customer Service Mode (CSM)
Purpose
When a customer is having problems with his TV-set, he can call his dealer or the Customer Helpdesk. The service technician can then ask the customer to activate the CSM, in order to identify the status of the set. Now, the service technician can judge the severity of the complaint. In many cases, he can advise the customer how to solve the problem, or he can decide if it is necessary to visit the customer.  The CSM is a read only mode; therefore, modifications in this mode are not possible.
When in this chassis CSM is activated, a test pattern will be displayed during 5 seconds (1 second Blue, 1 second Green and 1 second Red, then again 1 second Blue and 1 second Green). This test pattern is generated by the PNX51X0 (located on the 200Hz board as part of the display). So if this test pattern is shown, it could be determined that the back end video chain (PNX51X0 and display) is working. For TV sets without the PNX51X0 inside, every menu from CSM will be used as check for the back end chain video.
When CSM is activated and there is a USB stick connected to the TV set, the software will dump the CSM content to the USB stick. The file (CSM_model number_serial number.txt) will be saved in the root of the USB stick. This info can be handy if no information is displayed.
When in CSM mode (and a USB stick connected), pressing “OK” will create an extended CSM dump file on the USB stick. This file (Extended_CSM_model number_serial number.txt) contains:
• The normal CSM dump information,
• All items (from SAM “load to USB”, but in readable format),
• Operating hours,
• Error codes,
• Software/Hardware event logs.
To have fast feedback from the field, a flashdump can be requested by development. When in CSM, push the “red” button and key in serial digits ‘2679’ (same keys to form the word ‘COPY’ with a cellphone). A file “Dump_model number_serial number.bin” will be written on the connected USB device. This can take 1/2 minute, depending on the quantity of data that needs to be dumped.
Also when CSM is activated, the LAYER 1 error is displayed via blinking LED. Only the latest error is displayed.
How to Activate CSM
Key in the code “123654” via the standard RC transmitter.
Note: Activation of the CSM is only possible if there is no (user) menu on the screen.
How to Navigate
By means of the “CURSOR-DOWN/UP” knob on the RC transmitter, can be navigated through the menus.
Contents of CSM
The contents are reduced to 3 pages: General, Software versions and Quality items. The group names itself are not shown anywhere in the CSM menu.
General
• Set Type. This information is very helpful for a helpdesk/workshop as reference for further diagnosis. In this way, it is not necessary for the customer to look at the rear of the TV-set. Note that if an NVM is replaced or is initialized after corruption, this set type has to be re-written to NVM.  ComPair will foresee in a possibility to do this. The update can also be done via the NVM editor available in SAM.  • Production Code. Displays the production code (the serial number) of the TV. Note that if an NVM is replaced or is initialized after corruption, this production code has to be re-written to NVM. ComPair will foresee in a possibility to do this. The update can also be done via the NVM editor available in SAM.
• Installed date. Indicates the date of the first installation of the TV. This date is acquired via time extraction.
• Options 1. Gives the option codes of option group 1 as set in SAM (Service Alignment Mode).
• Options 2. Gives the option codes of option group 2 as set in SAM (Service Alignment Mode).
• 12NC SSB. Gives an identification of the SSB as stored in NVM. Note that if an NVM is replaced or is initialized after corruption, this identification number has to be re-written to NVM. ComPair will foresee in a possibility to do this. This identification number is the 12nc number of the SSB.
• 12NC display. Shows the 12NC of the display.
• 12NC supply. Shows the 12NC of the power supply.
• 12NC 200Hz board. Shows the 12NC of the 200Hz Panel (when present).
• 12NC AV PIP. Shows the 12NC of the AV PIP board (when present)
Software versions
• Current main SW. Displays the build-in main software version. In case of field problems related to software, software can be upgraded. As this software is consumer upgradeable, it will also be published on the Internet.
Example: Q55xx1.2.3.4
• Stand-by SW. Displays the build-in stand-by processor software version. Upgrading this software will be possible via ComPair or via USB
Example: STDBY_83.84.0.0.
• e-UM version. Displays the electronic user manual software-version (12NC version number). Most significant number here is the last digit.
• FPGA software.
Quality items
• Signal quality. Bad / average /good (not for DVB-S).
• Ethernet MAC address. Displays the MAC address present in the SSB.
• Wireless MAC address. Displays the wireless MAC address to support the Wi-Fi functionality.
• BDS key. Indicates if the set is in the BDS status.
• CI module. Displays status if the common interface module is detected.
• CI + protected service. Yes/No.
• Event counter :
S : 000X 0000(number of software recoveries : SW
EVENT-LOG #(reboots)
S : 0000 000X (number of software events : SW EVENTLOG #(events)
H : 000X 0000(number of hardware errors)
H : 0000 000X (number of hardware events : SW EVENTLOG #(events).
How to Exit CSM
Press “MENU” (or "HOME") / “Back” key on the RC-transmitter.
Stepwise Start-up
When the TV is in a protection state due to an error detected by stand-by software (error blinking is displayed) and SDM is activated via shortcutting the SDM solder path on the SSB, the TV starts up until it reaches the situation just before protection.
So, this is a kind of automatic stepwise start-up. In combination with the start-up diagrams below, you can see which supplies are present at a certain moment. Caution: in case the start-up in this mode with a faulty FET 7U0X (diagram B02A) is done, you can destroy all IC’s supplied by the +1V8 and +1V1, due to overvoltage (12V on XVX-line). It is recommended to measure first the FET 7U0X or others FET’s on short-circuit before activating SDM via the service pads.
The abbreviations “SP” and “MP” in the figures stand for:
• SP: protection or error detected by the Stand-by Processor.
• MP: protection or error detected by the MIPS Main Processor.