Electro help
Electronic Equipment Repair Assistance
Tuesday, September 27, 2016
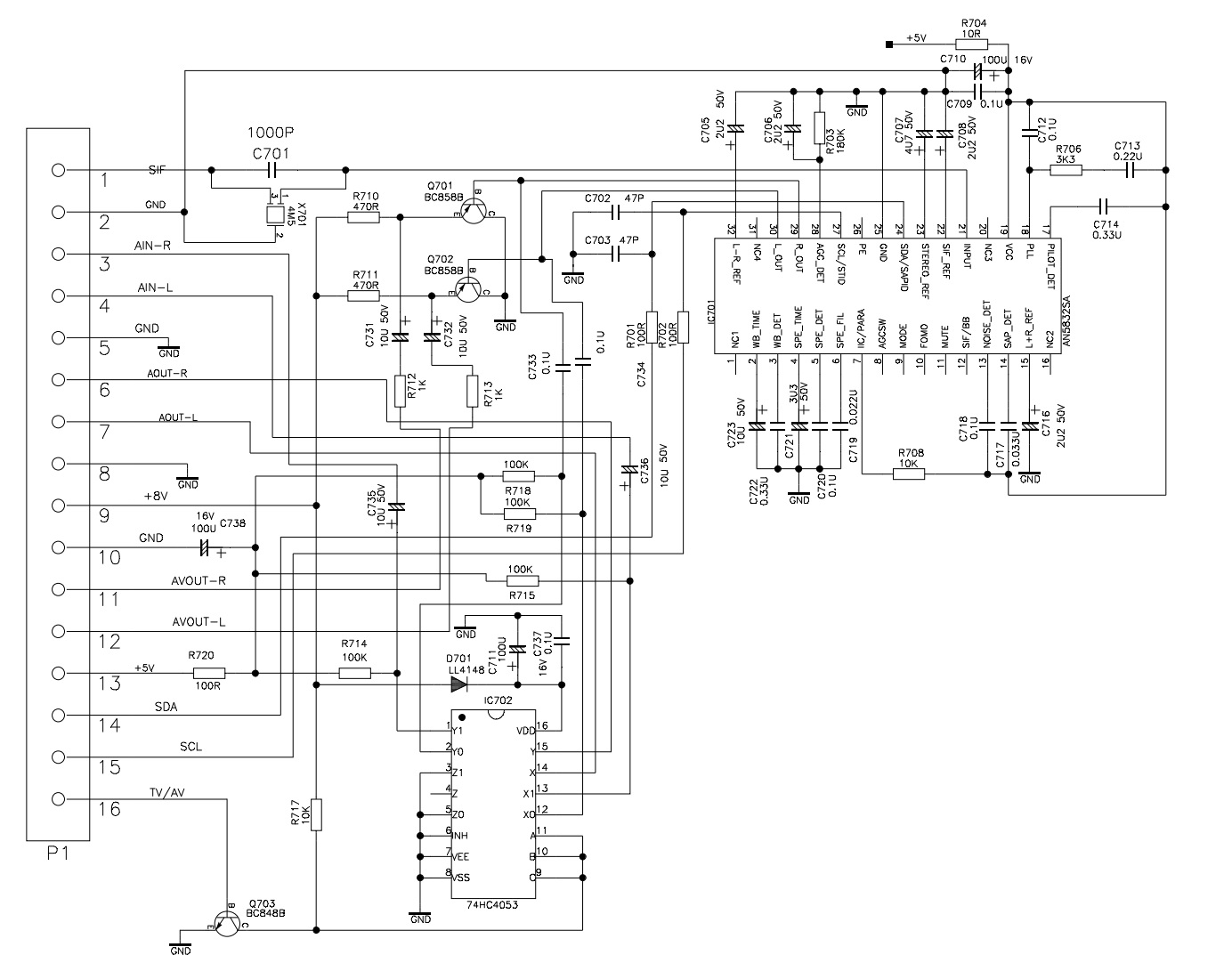
Philco PH21MG – 21 inch CRT type TV – circuit diagram
STV8172A – NCP1337 SMPS control – SK2996 FET SMPS switching output – ANA832SA - BSC25-0230Z Flyback transformer – BCT-1621 Horizontal driver transformer
Schematic
-
Click on the schematics to magnify
Newer Post
Older Post
Home