Used ICs TDA7496 TDA7449 MTV312 24LC08B THC63LVDM83R
Type : TFT XGA LCD Module
Size : 352.0(H) x 263.5(V) x 14.0(T)
Pixel Pitch : 0.297mm x 0.297mm
Color Depth : 8Bits/ 16M colors
Active Video Area : 15.0 inch (304.128 x 228.096)
Size : 352.0(H) x 263.5(V) x 14.0(T)
Pixel Pitch : 0.297mm x 0.297mm
Color Depth : 8Bits/ 16M colors
Active Video Area : 15.0 inch (304.128 x 228.096)
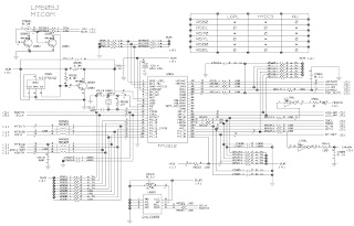
Schematic
SMPS
MICOM
LVDS
Audio
Block diagram and description
Scaler One chip IC(GMZAN-2, U201)
GMZAN-2 (U201) is one chip IC which it supports four internal function blocks of Video Amp, PLL, A/D converter and Video processor. Video signal (0.7Vp.p) clamped through C209, 208, 207 with matching IC’s proper cut off voltage. This signal is processed as a proper 8 bit digital signal by U201’s amplifying, phase locking, A/D converting, and scaling operations. U201 generates Clock, Horizontal and Vertical sync, Data Enable signals as LCD Panel’s input signals.
2. System Controller (Microprocessor) Circuit
1) Microprocessor (U501) distinguishes polarity and frequency by calculating horizontal and vertical sync input from signal source.
2) Microprocessor (U501) carries out power control by sending power-down trigger signal to each IC.
3) Microprocessor (U501) communicates with EEPROM (U502), and GMZAN-2 (U201) through IIC(2 lines) or 6 bit bus line. It makes all devices operated properly.
4) Microprocessor (U501) let User adjust screen by OSD function.
3. LVDS(Low Voltage Differential Signal, U402)
LVDS transmitter (U402) delivers digital signal to the receiver inside LCD module by method of abstraction. The abstracted signals are pairs of RIN0+-, RIN1+-, RIN2+-, RIN3+-, and RCLKIN+- of which voltage swing is 0.5V each. When SHUTON pin’s input is High, transmitter goes to power down mode.
4. DC/DC block
This block is composed of regulators which supplies 2.5V, 3.3V, and 5V. Each regulator’s source power is 5VS and 12V from power block. U806 supplies 2.5VD, U802 supplies 3.3VD, 3.3V_AD, and 3.3V_PL powers to GMZAN-2’s internal PLL, ADC, Pre-amp, and scaler by dropping down 5VS from power block. U805 supplies MODPWR-3.3V for LCD module’s operation by dropping down 5VS from power block. U803 supplies 5VR for Microprocessor and Logic IC(U701)’s operation by dropping down 12V from power block.
5. Power Block
This block supplies DC voltages of 5VS and 12V by converting AC input voltage of 100~240Vac. Converting method is SMPS (Switching Mode Power Supply).
6. Audio Part (TDA7449, TDA7496L)
In the circuit, audio processor(TDA7449) which is controlled by microprocessor(U501) adjust volume/treble/bass/balance of audio signal which come from PC. The signal come from TDA7449 is amplified by TDA7496L. The final output signal is output through speaker.






