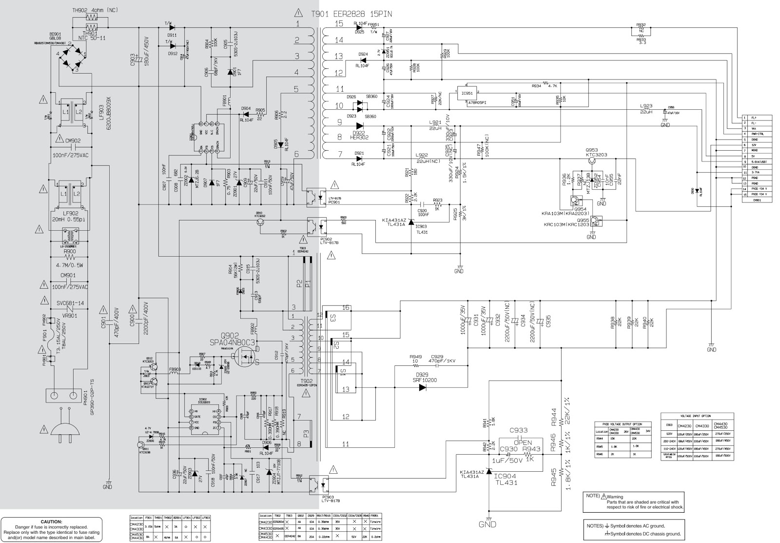
LG Minit Hi-Fi system - LG CM4530 - LG CM4530F - LG CM4530W - Mini HI-Fi system - SMPS, power amplifier and digital processor circuit diagram.
AMPLIFIERStereo mode: 160W + 160W (4 Ω at 1 kHz, THD 10 %)
Surround mode Front: 160W + 160W (4 Ω at 1 kHz, THD 10 %)
Subwoofer: 180W (3 Ω at 1kHz, THD 10 %)
LG CM4530 – main amp circuit - TAS5548 – TAS5612LA [Click on the pictures to magnify]
LG CM4530 – DSP circuit - BX8805 – USB2512M12L64164A-7TG2M – MX25L8005 – MF337S3959
LG CM4530 SMPS circuit - ICE2GS03 (Power switching control) – SPA04N80C3 (SMPS switching MOSFET)
Push
both Front key and RCU key to activate it for 5 seconds.
Disc
Lock On/Off (CD Function Only Active)
Front Key : STOP
RCU Key : STOP
2. Check Version and Option code
Front Key : STOP
RCU Key : PLAY/PAUSE
You can change [Audio MCU Version < > CD Controller Version < > EEPROM Option] by SKIP+/-.
3. Clear EEPROM
Front Key : STOP
RCU Key : SKIP-
4. Edit EEPROM
Front Key : STOP
RCU Key : SKIP+
You can change the digit of option by SKIP+/-.
You can edit 0~f by REPEAT or PLAY/PAUSE key.
5. Bluetooth DUT
Front Key : STOP
RCU Key : PROGRAM
Bluetooth model only
6. Power Disc Lock On/Off (CD Function Only Active)
Front Key : STOP
RCU Key : EQ
7. Amp Clip On/Off
Front Key : STOP
RCU Key : Mute
Amp Clip Mode Change (Amp Clip On > Amp Clip Off > Level Down display).
8. Demo ALL Key Lock (CM9520/CM8520 Only)
Front Key : STOP
RCU Key : 9
Demo All Key Lock Change (All Key Lock On > All Key Lock Off).
- Working on Demo Operation only.
- When All Key Lock, Volume Key work only.
- After All Key Lock Off, it can unlock Demo Mode.
RCU Key : STOP
2. Check Version and Option code
Front Key : STOP
RCU Key : PLAY/PAUSE
You can change [Audio MCU Version < > CD Controller Version < > EEPROM Option] by SKIP+/-.
3. Clear EEPROM
Front Key : STOP
RCU Key : SKIP-
4. Edit EEPROM
Front Key : STOP
RCU Key : SKIP+
You can change the digit of option by SKIP+/-.
You can edit 0~f by REPEAT or PLAY/PAUSE key.
5. Bluetooth DUT
Front Key : STOP
RCU Key : PROGRAM
Bluetooth model only
6. Power Disc Lock On/Off (CD Function Only Active)
Front Key : STOP
RCU Key : EQ
7. Amp Clip On/Off
Front Key : STOP
RCU Key : Mute
Amp Clip Mode Change (Amp Clip On > Amp Clip Off > Level Down display).
8. Demo ALL Key Lock (CM9520/CM8520 Only)
Front Key : STOP
RCU Key : 9
Demo All Key Lock Change (All Key Lock On > All Key Lock Off).
- Working on Demo Operation only.
- When All Key Lock, Volume Key work only.
- After All Key Lock Off, it can unlock Demo Mode.
PROGRAM DOWNLOAD & UPDATE
AUDIO PROGRAM
Download program file name must be CM4530_***.HEX
If security program (Water Wall) is activated on your PC, you must save the file to the USB storage device and disable the security software, then download the file to your set.
Caution: When downloading the file, you should neither unplug the USB device, change to the other function, nor power off the device. USB device must be unplugged when the downloading process is completed.
CD PROGRAM
Download program file name must be HF000_CM4530_xxxxxxxx_xx.bin
Tip) With B/T : HF000_CM4530_xxxxxxxx_xx.bin
Without B/T : HF400_CM4530_xxxxxxxx_xx.bin
If security program (Water Wall) is activated on your PC, you must save the file to the USB storage device and disable the security software, then download the file to your set.
Caution: When downloading the file, you should neither unplug the USB device, change to the other function, nor power off the device. USB device must be unplugged when the downloading process is completed.
EQ PROGRAM
Download program file name must be EQ_PRG_CM4530_***.BIN
If security program (Water Wall) is activated on your PC, you must save the file to the USB storage device and disable the security software, then download the file to your set.
Caution: When downloading the file, you should neither unplug the USB device, change to the other function, nor power off the device. USB device must be unplugged when the downloading process is completed.



